機械及行業設備
相關產品
德國FAULHABER福爾哈貝線性執行器32L 11:1 KP1 TL 10x2 200 KWN9
德國FAULHABER福爾哈貝線性執行器32L 11:1 KL1 TL 10x2 200 KWN9
德國FAULHABER福爾哈貝線性執行器32L 11:1 KL2 TL 10x2 200 KWN9
德國FAULHABER福爾哈貝線性執行器32L 11:1 KL3 TL 10x2 200 KWN9
德國FAULHABER福爾哈貝線性執行器32L 11:1 KC1 TL 10x2 200 KWN9
德國FAULHABER福爾哈貝線性執行器32L 11:1 KC2 TL 10x2 200 KWN9
德國FAULHABER福爾哈貝線性執行器32L 11:1 KC3 TL 10x2 200 KWN9
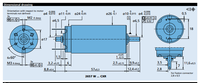
貨號: #2657W012CXR
庫存: 1件
德國FAULHABER福爾哈貝直流微電機-精密合金換向
優勢
創新繞組技術確保高功率密度
,強力稀土磁體
高效解決方案
無齒槽轉矩,高動態,精確的調速控制
可兼容任何直徑的解決方案
可選電壓范圍廣,選項豐富多樣