傳感及泵閥類

日本terada寺田泵水泵樹脂制合成橡膠制不銹鋼制
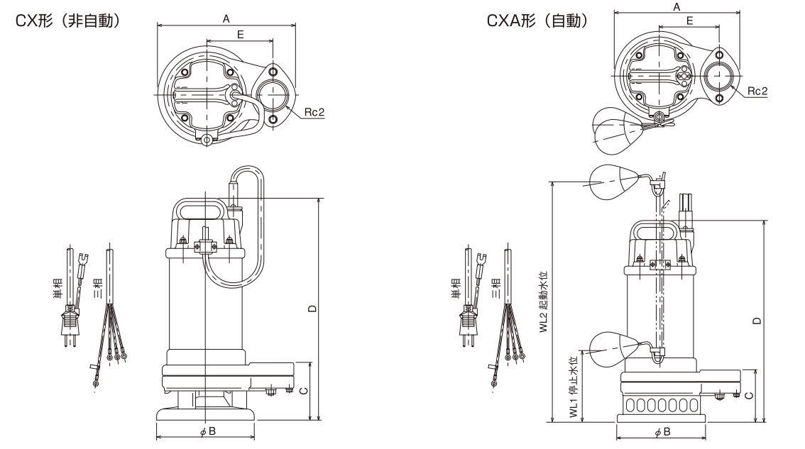
特長
便于攜帶和安裝的小型·輕量型。
液體接觸部全部采用樹脂和不銹鋼(SUS316),耐腐蝕性強,耐久性大幅提高。
通過獨自開發的Voltex結構驅趕堵塞。
高効率·節能葉輪·電動機的原創開發。
電動機內置自動燒損防止裝置。





湖南中村貿易有限公司代理銷售品牌: 日本TRUSCO中山、HOZAN寶山、VESSEL威威、SSD西西蒂、BONKOTE邦可、MALCOM馬康、METCAL奧科、PISCO碧鑠科、OHTAKE大武、OPK鷗琵凱、ELM易之美、HAKKO EIGHTRON八興、KURABO、New-Era新時代、德國KAISER+KRAFT皇加力、YODOGAWA淀川、SUIDEN瑞電、TECHNO DESIGN、AQUA安跨、ORION好利旺、韓國SP、FURUTO古藤、SOKUDOU速度、KANE凱恩、
日本ADA水分計/微量電子天平 日本KETTI水分計 日本愛森(EISEN)針規、日本三高(SANKO)膜厚計、理研(RIKEN)水平儀、日本佐藤(SATO)溫濕度計、TASCO溫濕度記錄儀、JPG(螺紋環規、塞規)、日本東日(TOHNICHI)、思達(CEDAR)扭力工具、日本勝利(VICTOR)鉗子、氣剪、SHINANO(信濃打磨機,拋光機)、SHOWA昭和振動計、日本中西(NSK)研磨工具、MINIMO研磨工具、日本愛光(AIKOH)、日本依夢達(IMADA)、SUCCESS成功推拉力計和引張力試驗機,日本大冢(OTSUKA)放大鏡、日本必佳(PEAK)放大鏡、日本得樂(TECLOCK)量具